國家紡織檢針機校準規范標準起草單位
熱線電話:13723581296
连新牌JZQ-86W 倒扣式高度可调平台式检针器
又名:宽幅平台式检针器,是一款磁感应式可非标定制任意长度的平台检针设备。采用86系列贴片机芯电路板设计制作,具有高精度、强抗干扰等优越性能。
适用范围:
用于加装到风靡牌量革机或其他皮革机上,实现无损安装在线检测断针和金属屑。
功能特点:
1、日本技术,电脑芯片集成电路。
2、采用大型检针机同等工艺制作。
3、灵敏度0-10无级调节,蜂鸣器警报。
4、具有极高的灵敏度和抗干扰性能,能适应长时间使用,按规定使用检测有效率达100%。当检测到断针、铁质物体时,发出声音报警。
相关参数:
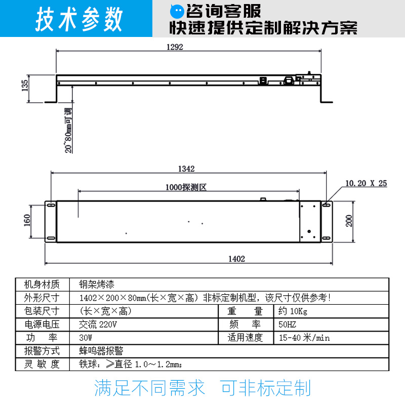
机身材质:钢架烤漆;
外形尺寸:1402×200×80mm(长×宽×高) 非标定制机型,该尺寸仅供参考!
包装尺寸:(长×宽×高)
重 量:约100Kg
电源电压:交流220V
频 率:50HZ
功 率:30W
适用速度:15-30米/min
报警方式:蜂鸣器报警
灵 敏 度:铁球≥直径1.0~1.2mm;


廣東連之新金屬檢測設備有限公司
Guangdong Lianzhixin Metal Testing Equipment Co., Ltd.
地址:廣東省東莞市寮步鎮寮步百業路76號先之科園區2棟118
Add:No. 118, Building 2, No. 76, Baiye Road, Liaobu Town, Dongguan City, Guangdong Province, China
手機Mobile:13723581296 李生 / 13751381190 陳生
電話Tel:86-769-83228612
傳真Fax:86-769-83228650
網址Web:m.ourgift.cn